Członek VIP
Pompa magnetyczna przeciwwybuchowa
Pompa magnetyczna odporna na wybuch to dodanie urządzenia antywybuchowego w górnej części pompy magnetycznej, aby nie pozwolić łatwopalnym wybuchowym
Szczegóły produktu





Pompa magnetyczna antywybuchowa
Cechy produktu:
Pompa magnetyczna wybuchoodporna ze względu na wyjątkową konstrukcję posiada urządzenie wybuchowe, nawet jeśli przewożony ciecz ma właściwości palne i wybuchowe, nie powoduje wybuchu.
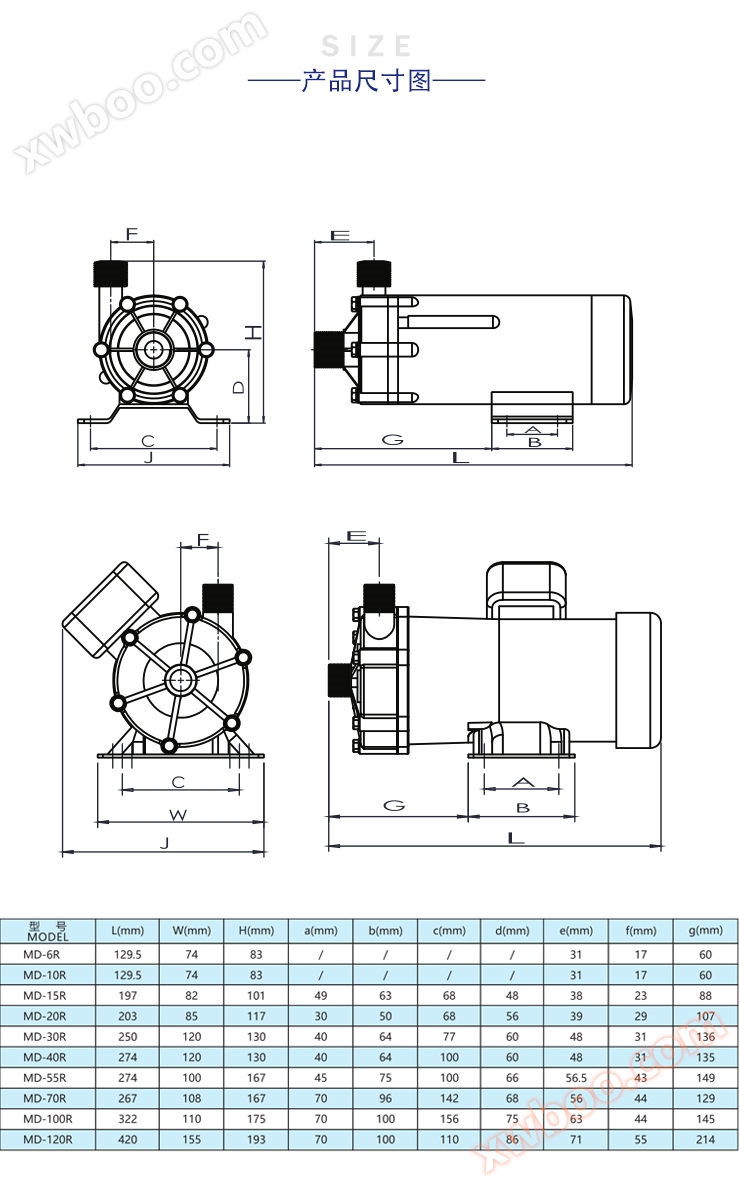
Pompa magnetyczna gwintowa MD:
| Numer modelu | Połączenie węża | Połączenie gwintowe | przepływ L/min |
Rozpoczęcie m |
Standardowe warunki pracy M-L/min |
Zakres temperatury ℃ |
Waga | Silnik | ||||
| Wejście | Eksport | Wejście/wyjście | Sekcja Związkowa | wyjście w | Wpisz w | Napięcie | ||||||
| MD-70R(M)-N | 26mm | 26mm | G1 | 20mm | 86 | 6.7 | 4-50 | 0-80 | 1.0 | 150 | 265 | 220/380 |
| MD-100R(M)-N | 26mm | 26mm | G1 | 20mm | 120 | 8.6 | 6.5-60 | 0-80 | 1.2 | 250 | 390 | 220/380 |
Pompa magnetyczna MDH:
|
Numer modelu |
Rozmiary standardowe | Siła konna (HP) |
Moc (KW) |
Poziomy | Waga | Mały przepływ L/min-m |
Standardowy przepływ - podnoszenie L/min-m |
Duży przepływ L/min |
|
| Wejście | Eksport | ||||||||
| MDH-400 | G1 1/2×G1 1/2 (40×40) |
1/2 | 0.37 | 2P | 1.05 | 10-12.5 | 150-8.5 | 280 | |
| MDH-401 | 1 | 0.75 | 2P | 1.05 | 10-18.0 | 200-12.0 | 330 | ||
| MDH-422 | G2×G1 1/2 (50×40) |
2 | 1.5 | 2P | 1.2 | 20-23.0 | 200-18.5 | 400 | |
| MDH-423 | 3 | 2.2 | 2P | 1.2 | 20-24.0 | 300-20.5 | 500 | ||
| MDH-425 | 5 | 3.7 | 2P | 1.0 | 50-29.0 | 400-25.5 | 600 | ||









Zapytanie online
